
Imagine a wound dressing that releases oxygen as it heals, or a building material that cleans your wastewater while changing shape with the sun. These futuristic-sounding ideas may soon enter the design mainstream, thanks to new research into Engineered Living Materials (ELMs)—a field funded by DARPA and which stands at the intersection of materials science, microbiology, and sustainability.
A team of researchers at the University of California San Diego has cracked open the toolbox for ELM creation, allowing scientists to work with a much broader range of polymers, even those previously considered toxic to living cells.
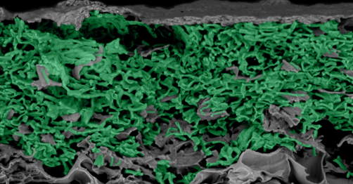
Their breakthrough, recently published in the Proceedings of the National Academy of Sciences, uses a diffusion-based method that enables cyanobacteria—sunlight-powered microbes—to infiltrate and transform pre-formed polymers. The result? A living material that can change shape, soften over time, and respond to its environment, all while powered by the sun.
“We have shown for the first time that diffusion is a viable method of creating ELMs,” said co-first author Lisa Tang, a Ph.D. student in chemical engineering at UC San Diego. “This opens the door to using a wider variety of polymers.”
The study was led by Prof. Jinhye Bae (Chemical and Nano Engineering) and Prof. Susan Golden (Molecular Biology), under the umbrella of UCSD’s Materials Research Science and Engineering Center. Co-author Nathan Soulier, a postdoctoral scholar in Golden’s lab, emphasized the scientific impact:
“Such surprising findings highlight the value of studying dynamic, non-equilibrium systems like ELMs.”
A Biotech Renaissance in Material Design
This development could radically influence sustainable design across multiple industries. In the fashion world, Stella McCartney has already collaborated with synthetic biologists at companies like Bolt Threads to develop mycelium leather, an earlier example of living materials. At the MIT Media Lab, designer and materials innovator Neri Oxman has pioneered the concept of “material ecology,” merging computational design with microbial growth and environmental data to create biodegradable architecture and wearables.

In Israel, Tel Aviv University’s Prof. Oded Shoseyov (inventor of the Ashpoopie) has been a leader in applying plant and bacterial proteins to smart materials and bio-fabricated textiles, often collaborating with biotech startups on sustainable production methods.

With the new method developed at UCSD, even synthetic polymers with harsh precursors could now become home to living, functional organisms. In the team’s experiment, they used a shape-memory polymer that expands and contracts with temperature shifts—mimicking a sponge. Once returned to room temperature, the polymer absorbed a suspension of cyanobacteria, which not only survived but thrived—altering the material’s structure and producing enzymes that degraded it in novel ways.
Why It Matters: From Wastewater to Wearables

Cyanobacteria can be genetically programmed to perform specific tasks, such as breaking down pollutants or producing biofuels—meaning these living materials could clean water, capture carbon, or even sense toxins. And because they run on solar energy, they don’t need batteries or chemical power sources.

This has major implications for green construction, regenerative medicine, and zero-waste fashion. In architecture, self-healing facades and living insulation could reduce reliance on petroleum-based materials. In medical contexts, bioactive scaffolds could accelerate healing while reducing infection risk.
As demand grows for biodegradable, responsive, and resource-efficient materials, this diffusion-based method could become a cornerstone in post-petroleum design—a path toward truly circular, regenerative systems.
The UCSD team is already exploring how other polymers—those sensitive to pH or capable of conducting electricity—might host living cells. The idea is to create multi-functional, multi-sensory materials that behave more like biological tissues than inert plastic.

“By integrating photosynthetic organisms into materials science, we can harness the sun’s renewable energy to create valuable materials,” said Bae. “There is a great need for sustainable alternatives to current practices that rely on finite resources.”
In a world running short on raw materials but rich in sunlight and microbial ingenuity, the age of engineered living matter may be just beginning.

